一、压线入子设计标准


二、压线入子设计标准
1.压筋目的
a.减小折弯时的回弹,使折弯尺寸更准确。
b.减小折弯时所产生的拉料变形
2.压筋入子的尺寸要求
压线入子截面形状如图所示。压筋工作部份宽度为0.8~1.2。高度为0.2。当料厚T<0.8时,压筋宽度取0.8mm;当料厚0.8≦T<1.2时,压筋宽度取1.0mm﹔当料厚T≧1.2时,压筋宽度取1.2mm。

三、压毛边入子设计标准
1.压毛边作用
在产品要求剪切边无毛刺时,压毛边可以倒去冲切时所产生的毛刺。
压毛边可分为两种方式﹕内孔压毛边,如图(A);外形压毛边,如图(B)。其具体尺寸如图(A),(B)所示;产品外形向料内一侧偏移30°即为入子外形。入子高度为模板厚度70%。入子材质用SKD11,热处理HRC60°

3.压毛边入子加工方法及工作示意图
A.加工方法
入子外形割好后﹐将入子装入模板孔内﹐周边外形加工﹐具体尺寸如图(C)所示。材料与压毛边配合图(D)

B.工作示意图




五.弹簧设计标准
一.选用原则:
1.弹簧长度选择一般保証:在开模状态时弹簧的预缩量一般取值2~4mm(如遇特殊情况需加大预压时,视需要来确定压缩值);闭模状态弹簧压缩时小于或等于最大压缩量(最大压缩量LA=弹簧自由长L*最大压缩比取值%).2.复合模外脱板用红(蓝)色簧,内脱板用录(棕)色弹簧。3.冲孔模和成形模用录色或棕色弹簧。
4.卸料,顶料优先选录色或棕色弹簧;如果顶料销所需的顶料力不很大时,可选用红色弹簧或蓝色弹簧。
5.活动定位销一般选用Φ8.0顶料销,配Φ10.0黄色弹簧和M12.0*1.5止付螺丝。
6.弹簧规格优先选用Φ30.0;在空间较小区域考虑选用其它规格(如Φ25.0,Φ20.0,Φ18.0….)。
二.分布原则:
1.弹簧分布排列时,应保証弹簧过孔中心到模板边缘距离大于外径D,与其它过孔距离
保持有5mm以上实体壁厚。
2.弹簧排列首先考虑受力重点部位,然后再考虑整个模具受力均衡平稳。受力重点部
位是指:复合模的内脱料板外形和冲头的周围;冲孔模的冲头周围;成形模的折弯边及有抽牙成形的地方。
3.在内导柱的周围也应均匀的分布弹簧,以保模具运动正常。
三.模板加工孔:
1.弹簧在模板上的过孔,根据弹簧外径不同取值不一样。
直径≧Φ25.0时,过孔取单边大1.0mm,如Φ30.0的弹簧,在模板的过孔为Φ32.0;直径<Φ25.0时,过孔取单边大0.5mm,如Φ20.0的弹簧,在模板的过孔为Φ21.0。2.弹簧过(沉)孔位置尺寸可不用标注;直径尺寸则在注解处说明,精确到小数点后一位
六.预剪装置设计标准
内容
连续模带料部分在最后一站剪切或剪断成形﹐产品要求外观或手可触摸处均无毛边﹐因此要求模具在剪切的前一站进行预剪(即预压毛边)
设计时﹐先要判定毛边的方向﹐确定预剪在上模还是在下模﹐其结构及具体设计尺寸如下﹕

七.弯刀固定槽设计标准
弯刀固定槽尺寸要求﹕
1.铣槽深度根据其产品折弯高度而定﹐一般情况夹板槽深(5~8mm)。2.让位槽用Φ10.0的铣刀精铣加工。
3.让位槽清角处理﹐以让位槽的四角点为圆心﹐钻8.0深10.0的孔。
4.为使折弯刀和让位槽有良好的接触﹐在距让位槽边8mm(图示W区域)比让位槽加铣深1.0mm.
5.折弯刀与让位槽各边之间的间隙﹐直接加在图元上。让位槽的工作面不加间隙;非工作面单+0.30mm;
6.让位槽尺寸的标注每边均标注两位小数。

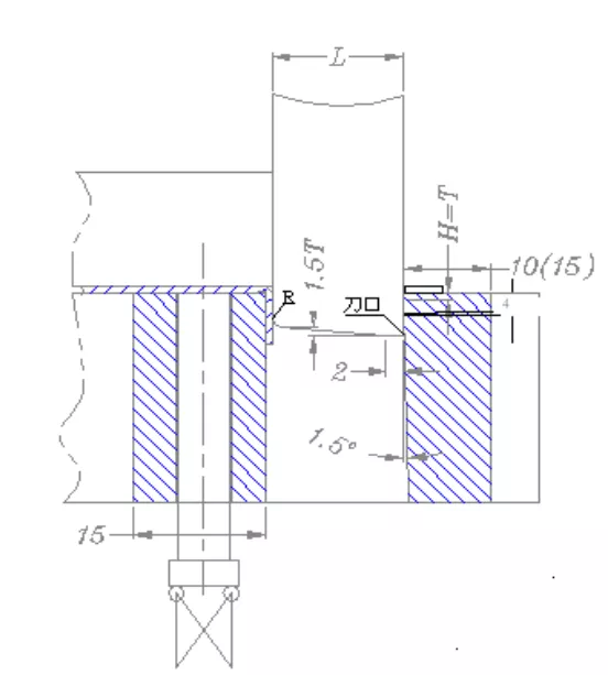
八、切断成型设计标准

作业说明:
1.先剪后折刀口高度为一个料厚,斜1.5度,目的是减少冲头同切口之间的接触面,以便减少摩擦。
2.冲头切口底部直2mm,是为了保証刀口强度,防止崩刃。冲头折弯边高度为1.5T,这样可保証先剪断后折边。
当你想学设计,找不到学习的方法?
想是问题做才是答案,如果你想学的话你可以加作者获取视频资料软件学习。
1;所有标注为智造资料网zl.fbzzw.cn的内容均为本站所有,版权均属本站所有,若您需要引用、转载,必须注明来源及原文链接即可,如涉及大面积转载,请来信告知,获取《授权协议》。
2;本网站图片,文字之类版权申明,因为网站可以由注册用户自行上传图片或文字,本网站无法鉴别所上传图片或文字的知识版权,如果侵犯,请及时通知我们,本网站将在第一时间及时删除,相关侵权责任均由相应上传用户自行承担。
[complaint:内容投诉]
智造资料网打造智能制造3D图纸下载,在线视频,软件下载,在线问答综合平台 » 最为详细的五金冲压模具设计标准

