第一章 制图基础知识和技能
第一讲 绘图仪器的使用与《机械制图》国家标准
1.本讲知识要点:
(1)图纸幅面和格式(GB/T14689-1993) (2)标题栏(GB/T106091-1989)
(3)比例(GB/T14690-1993) (4)字体(GB/T14691-1993)
(5)线型及应用 (6)粗实线铅笔的修理和使用
(7)细实线铅笔的修理和使用 (8)粗实线铅芯的修理和使用
2.教学设计
(1)图纸幅面、格式、标题栏、比例:首先用电子挂图说明国家标准对图纸幅面、格式、标题栏、比例等规定,然后展示以往学生的不同幅面的图纸作业,再展示生产上使用的蓝图,同时讲解图纸的折叠。
(2)字体:先介绍国家标准对字体的规定,重点介绍铅笔制图字体的写法,然后以标题栏为例在黑板上介绍标题栏的填写和习题集作业的签名方法。
(3)线形及其应用:主要介绍粗实线、细实线、虚线、点画线和底稿线5种线形,其他线形今后用到时再介绍。粗实线铅笔的修理和使用先用电子挂图观看修理的形状,然后用动画演示粗实线铅笔的使用,再分组演示铅笔的修理和使用。
(4)粗实线铅芯的修理和使用不讲,在讲回转曲面时介绍,本讲以只介绍直线的画法。
3.课前准备:收集以往学生的作业若干张,到工厂收集一些生产上使用图纸。准备一篇教师的铅笔制图字体和图线范例,将电子挂图和动画用PowerPoint制作成演示文档。因为是第一次课,所以课前要告诉同学上课时带好绘图仪器。
4.本讲作业:习题集上的字体和图线练习。
5.教学内容:【内容概要】本讲主要介绍与工程制图有关的国家标准,如图纸的幅面和格式、比例、字体、图线和尺寸标注等,介绍了绘图仪器的使用方法和平面图形的绘制步骤。要求掌握正确的作图方法和正确地使用绘图工具,在绘制的图样中遵守国家标准《机械制图》和《技术制图》中的各项规定。
1.1机械图样的一般规定:为适应生产发展和技术交流的需要,对图样的绘制方法、绘图格式及绘图规则等作出统一的规定,为此我国在1959年发布了国家标准《机械制图》,之后又作了几次重大修改,使其进一步向国际标准化组织靠拢,有利于工程技术的国际交流。
表1-1基本幅面尺寸(单位mm)(电子挂图)
幅面代号 | A0 | A1 | A2 | A3 | A4 | |
尺寸B×L | 841×1189 | 594×841 | 420×594 | 297×420 | 210×297 | |
边框 | a | 25 | ||||
c | 10 | 5 | ||||
e | 20 | 10 | ||||

图1-1图框格式(电子挂图)
通常标题栏位于图框的右下角,看图的方向应与标题栏的方向一致。(GB/T10609.1-1989)《技术制图标题栏》规定了两种标题栏格式,图1-2是第一种标题栏的格式及分栏,这种格式与ISO7200-1984相一致。
图1-2标题栏格式、分栏及尺寸

表1-2(电子挂图)
种类 | 比例 | |
第一系列 | 第二系列 | |
原值比例 | 1:1 |
|
缩小比例 | 1:21:51:101:1×10n 1:2×10n1:5×10n | 1:1.51:2.51:31:41:6;1:1.5×10n1:2.5×10n 1:3×10n1:4×10n1:6×10n |
放大比例 | 2:15:11×10n:1 2×10n:15×10n:1 | 2.5:14:12.5×10n:1 4×10n:1 |
注:n为正整数

图样上的汉字应采用长仿宋体字,字的大小应按字号的规定,字体的号数代表字体的高度。字体高度尺寸h为1.8、2.5、3.5、5、7、10、14、20mm。写汉字时字号不能小于
在工程图样上填写标题栏、明细表和技术要求等栏目时,要按国标要求书写长仿宋体的汉字,材料牌号、尺寸数字等西文字符要按ISOGP字体书写。可按下述方法练习:
(1)用H或HB铅笔写字,将铅笔修理成圆锥形,笔尖不要太尖或太秃;
(2)按所写的字号用H或2H的铅笔打好底格,底格宜浅不宜深;
(3)字体的笔画宜直不宜曲,起笔和收笔不要追求刀刻效果,要大方简洁;

(4)字体的结构力求匀称、饱满,笔画分割的空白分布均匀。
图1-3铅笔手写字体示例(板书)
(1)机械制图的线型及应用(表1-3)
(2)图线的画法

在绘制虚线、点画线时,线和线相交处应为线段相交。当虚线在粗实线的延长线上时,在分界处要留空隙。点画线超出轮廓线的长度约为
图1-4图线的画法(电子挂图)
(3)粗实线铅笔的修理【分组演示铅笔修理】


粗实线是图样中最重要的图线,为了把粗实线画的均匀整齐,关键是正确的修理和使用铅笔,绘制粗实线的铅笔以HB或B的铅笔为宜。将铅芯修理成长方体形,使用时用矩形的短棱和纸面接触,长方体铅芯的宽侧面和丁字尺或三角板的导向棱面贴紧,用力要均匀,速度要慢,一遍画不黑可重复运笔(图1-5)。(电子挂图)
图1-5粗实线铅笔的修理和使用(电子挂图)(虚拟现实)
图1-6细实线铅笔的修理和使用(电子挂图)(虚拟现实)
(4)细实线铅笔的修理和使用
画细实线、虚线、点画线等细线所用的铅笔牌号为H或2H,将铅芯修理成圆锥形,如图1-6所示。当铅芯磨秃后要及时修理,不要凑合着画。绘制虚线和点画线时,初学者要数丁字尺或三角板上的毫米数,这样经过一段时间的练习后,画出的虚线或点画线的线段长才能整齐相等。
(5)粗实线铅芯的修理和使用

画粗实线圆所用的铅芯为HB铅芯,修理成如图1-7所示的形状。使用时要调整圆规腿的关节,使铅芯和纸面垂直侧棱和纸面均匀接触,画圆时用力要均匀,速度要慢,一遍画不黑可反方向重复一遍。
图1-7粗实线铅芯的修理和使用(电子挂图)(虚拟现实)【分组演示圆规修理】
第二讲 几何作图尺寸标注
1.本讲知识要点
(1)平面图形的尺寸标注
(2)几何作图
(3)手绘制草图
2.教学设计
教材上的内容比较庞杂,教学过程中要抓住重点,基本概念和原理是本讲的重点,要结合实例介绍几何作图和尺寸标注。
尺寸标注:先讲尺寸标注的基本要求,再讲具体的一些规定,不要面面具到,要教会同学查书和手册,不要死记硬背。
平面图形的尺寸标注:采用启发式教学,先给出如下图所示的平面,让同学自己抄画,考虑从何处着手,画图步骤是什么?然后再给出已知线段、中间线段、连接线段等概念。再分析尺寸的分类和基准的概念。多举一些和作业相近的实例。

徒手绘制草图:分组演示草图的绘制方法和技术,注意铅笔的修理和仪器图的区别。利用视频动画演示一个图形的画图过程。
3.课前准备
教师要绘制一张平面图形的草图作为范例。
4.教学内容
(1)机件的真实大小应以图样上所注的尺寸数值为依据,与图形的大小及绘图的准确性无关。
(2)图样中的尺寸凡以毫米为单位时,不需标注其计量单位的代号或名称,否则需标注其计量单位的代号或名称。
(3)图样中所标注的尺寸,为该图样所示机件的最后完工尺寸,否则应另附说明。
(4)机件的每一尺寸,在图样上一般只标注一次,并应标注在反映该结构最清晰的图形上。
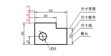
(5)尺寸线到轮廓线、尺寸线和尺寸线之间的距离为

图1-8尺寸标注的基本规则(电子挂图)
线性尺寸数字通常写在尺寸线的上方或中断处,尺寸数字应按图1-9所示的方向注写,并尽可能避免在图示30°范围内标注尺寸,当无法避免时应引出标注。对于非水平方向上的尺寸,其数字方向也可水平地注写在尺寸线的中断处。另外尺寸数字不允许被任何图线所通过,否则,需要将图线断开。

图1-9线性尺寸数字的方向(电子挂图)
角度的数字一律写成水平方向,一般注写在尺寸线的中断处,也可写在尺寸线的上方,或引出标注(图1-10)。

图1-10角度的数字注写方法(电子挂图)
圆心角大于180°时,要标注圆的直径,且尺寸数字前加“φ”;圆心角小于等于180°时,要标注圆的半径,且尺寸数字前加“R”;标注球面直径或半径尺寸时,应在符号φ或R前再加符号“S”(图1-11)。

图1-11直径和半径符号(电子挂图)
斜度和锥度可按图1-12所示的方法标注。斜度和锥度符号的方向应与斜度和锥度的方向一致。

图1-12锥度和斜度的标注(电子挂图)
在同一图形中,对于尺寸相同的孔、槽等成组要素,可仅在一个要素上标注其数量和尺寸,均匀分布在圆上的孔可在尺寸数字后加注“EQS'表示均匀分布(图1-13)。

图1-13相同要素的尺寸标注
该文章所属专题:AutoCAD机械制图教程
1;所有标注为智造资料网zl.fbzzw.cn的内容均为本站所有,版权均属本站所有,若您需要引用、转载,必须注明来源及原文链接即可,如涉及大面积转载,请来信告知,获取《授权协议》。
2;本网站图片,文字之类版权申明,因为网站可以由注册用户自行上传图片或文字,本网站无法鉴别所上传图片或文字的知识版权,如果侵犯,请及时通知我们,本网站将在第一时间及时删除,相关侵权责任均由相应上传用户自行承担。
[complaint:内容投诉]
智造资料网打造智能制造3D图纸下载,在线视频,软件下载,在线问答综合平台 » 一、制图基础知识和技能|AutoCAD机械制图教程(图文教程)

