一.产品介绍
TPE 材料止滑性好,且弹性触感佳,可提升制品的触摸手感,增强握持性, 提升制品美观度以及产品附加值。同时因 TPE 弹性体软胶为绿色环保原料,材料不含邻苯二甲酸盐,不含卤素, 增加不同的色粉可以制成美观的产品而不需要喷涂, 不影响环境, 因而得到广泛的应用。本文介绍的是日本某品牌打印机按键双色模具, 其中硬胶为 HI-PS,软胶为 TPE.这两种材料的粘结力好, 产品性能稳定, 适合大批量生产。

图 1 打印机按键产品图
二. 产品分析
打印机按键产品图见图 1, 尺寸较小。 产品设计中硬胶需避免尖锐的转角,以保证 TPE 与硬胶接触良好,提升粘接效果。 合理确定 TPE 软胶的厚度, 如果 TPE 太薄, 则流动性差, 手感不佳, 太厚则容易缩水, 同时浪费TPE 材料。

3. 模具设计要点:
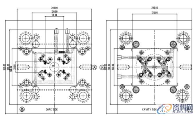
1. 型腔数的确定: 由于制品较小, 型腔排位为 1 出 4, 本套双色模具结构采用亚洲双色模结构, 即两套完全相同模胚的双色模具, 模胚型号为 FCI2020, 从富得巴订购。 模具具有两个完全相同的后模,而两个前模型腔是不同的,用于注射不同的物料。 注意模胚的导柱导套孔仍然需要基准角偏置,以防加工时出错,和普通单色模具一样。 另外一点需要注意的是模具必须设计成三板模的形式,在一次注塑后, 二次注塑前, 水口料需要及时分离, 特别需要注意的是软胶的水口料容易粘模, 须在模具设计和制作时注意。
用来制作双色模的两套模架,分中尺寸一定要求完全一致,导柱孔的位置也必须一致,要求两套模架的前、后模能够自由互换,同时两套模架的总高也要相同,还要两套前模和两套后模分别等高(这一点在购定模架时就需要作特别说明)。
硬胶 HI-PS
软胶 TPE
软胶进胶点
硬胶进胶点

2. 浇口设计: 双色模具的浇口位置设计非常关键, 需要慎重考虑。 本套模具浇口为点浇口, 每穴两点进胶, 模具为三板模, 浇口位置见产品图所示。 其中硬胶的浇口位置在注射 TPE 时, 被 TPE 所覆盖, 不会影响到外观。 TPE 的浇口位置在产品组装后同样处于不可见的位置。
3. 收缩率确定: 双色模具的收缩率确定非常关键, 一般首次注射硬胶, 硬胶 HI-PS 缩水取 0.5%, 在单色模具中,软胶 TPE 的缩水率为 1~2%, 软胶收缩率明显大于硬胶, 给模具设计( 3D 分模时会造成坐标系不重合) 带来困难。 双色模具中, 由于硬胶的限制作用, 软胶的收缩率较小, 在按键类小产品中, 软胶不放收缩率。

4. 塑件顶出:塑件采用司筒顶出, 流道凝料采用顶针顶出。
5. 前后模具的运水见模具设计图 2。 双色模具的运水接头必须设计在转盘中心。( 注意模具图标有天侧)

图 2 打印机按键模具图( 续)( 软胶)

图 3 打印机按键模具实物照片
五.总结
通过模具出口后客户使用的实践表明,模具结构设计合理,为同类模具设计提供了可借鉴的经验。
东莞潇洒职业培训学校开设课程有:高升专、专升本学历提升、全日制中职学校学位、积分入户、数控编程培训、塑胶模具设计培训,压铸模具设计培训、冲压模具设计培训,精雕、ZBrush圆雕培训、Solidworks产品设计培训、pro/E产品设计培训、AutoformR7工艺分析培训,非标自动化设计、PLC编程、CNC电脑锣操机、平面设计等培训,潇洒职业培训学校线下、线上等网络学习方式,随到随学,上班学习两不误,欢迎免费试学!
联系电话:18029180991(微信同号)QQ:3461766451
学习地址:东莞市横沥镇新城工业区兴业路121号-潇洒职业培训学校
1;所有标注为智造资料网zl.fbzzw.cn的内容均为本站所有,版权均属本站所有,若您需要引用、转载,必须注明来源及原文链接即可,如涉及大面积转载,请来信告知,获取《授权协议》。
2;本网站图片,文字之类版权申明,因为网站可以由注册用户自行上传图片或文字,本网站无法鉴别所上传图片或文字的知识版权,如果侵犯,请及时通知我们,本网站将在第一时间及时删除,相关侵权责任均由相应上传用户自行承担。
[complaint:内容投诉]
智造资料网打造智能制造3D图纸下载,在线视频,软件下载,在线问答综合平台 » 塑胶模具-打印机按键双色模注塑设计

