首页
图纸下载
冲压模具
塑胶模具
数控编程
机械设备
家用电器
更多
软件下载
二维软件
三维软件
编程软件
CAE软件
系统软件
更多
图文资讯
软件应用
模具制造
机械制造
机械知识
平面设计
其他
软件安装
帮助中心
注册问题
登录问题
上传问题
下载问题
充值问题
更多
在线视频
新站课程
本站课程
在线问答
登录
注册
样式
最新标签
HTML
入门
精通
摩托车
三轮
狂想
两栖
图文
作用
水泵
诱导
前置
视频
测试
咨询
售后
违规
注册
登录
充值
积分
流程
提现
编号
大小
提取
0167
XSSJUG
取值
旋切
毫米
按照
上传
退稿
稿件
无法
账号
注销
站上
qiufukang
右上角
绑定
下拉
帐号
原作者
以下简称
本站
协议
会员
其它
刀路
桃木
夹板
关联性
鸟瞰
文章
PAUSE
command
主视图
长度
RCDATA
计算
ID
开发
雕刻机
生成
注释
端盖
中设
标题
回到
外公切线
圆心
立体
实验
布局
浮动
外部
参照
网格
多线
显示
缩放
特性
编组
门厅
源点
附着
光源
图片
一圆
基点
SolidEdge
教程
属性
10.3
有的
弧段
正交
栅格
及图
文章排序
时间
标题
热度
留言
随机
倒灌模具设计要点,以及注意事项!
样式
顶针
流道
这样的卡扣看起来简单,而且还需要滑块+斜顶才能正常脱模! ...
样式
模具设计
电商
培训学校
主视图
CAD制图国家标准标注样式(图文教程)
制图
标注
样式
形位公差浩辰CAD标注技巧(图文教程)
标注
样式
粗糙度
我们
公差
盘点打印CAD图纸线条不黑的原因(图文教程)
打印
样式
颜色
如图
设置
浩辰CAD2013之六十八:了解CAD文字样式设置(图文教程)
样式
CAD2013
设置
文字
在浩辰CAD中标注后为什么看不到尺寸值?
标注
比例
样式
我们
设置
CAD如何画不规则曲线(图文教程)
曲线
一个
样式
中望CAD机械标注样式设置(图文教程)
标注
样式
设置
教程
中望3D工程图线条显示样式巧设置(图文教程)
样式
设置
教程
巧用中望3D自定义工程图标注样式(图文教程)
标注
样式
中望CAD技巧之设置机械及建筑国标标注样式(图文教程)
标注
样式
设置
ZWCAD如何创建和设置文字样式(图文教程)
样式
创建
设置
文字
中望CAD怎么设置箭头的大小及样式(图文教程)
箭头
样式
大小
设置
AutoCAD2016基础应用(10)说明和标签(图文教程)
样式
文字
单击
基础CAD教程(8)_使用文字(图文教程)
文字
命令
样式
用于
多行
AutoCAD2007实用教程-10创建文字和表格(图文教程)
文字
样式
表格
多行
设置
AutoCAD2011教程(9)标注文字、创建表格(图文教程)
表格
样式
插入
有的
标注
AutoCAD2007教程(四)注写文本、尺寸标注、文本编辑、尺寸标注编辑(图文教程) ...
标注
文字
尺寸
样式
多行
AutoCAD创建机械制图样板文件(图文教程)
文件
设置
样板
样式
标注
AutoCAD2018中利用材质编辑器给花瓶渲染(图文教程)
花瓶
材质
渲染
样式
视觉
产品侧面滑块分型面案例分析,以及优缺点讲解!
分型
产品
样式
熔喷布模具直接进胶设计要点,以及注意事项
样式
加工
模具设计
连接器产品模具设计注意事项:
可以
样式
模具设计
为了确保产品进胶平衡,在产品上面做附助流道样式
样式
流道
产品
模具设计
1000MM长的装饰条,冷流道进胶样式,试模后产品尺寸与变形可控 ...
水路
产品
样式
模具设计
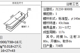
塑胶件成型时间、成型机台、产品加工费用,参考案例
计算
费用
材料
样式
塑料内螺纹抽芯,简易模具设计,直接有效的进行脱模
齿轮
样式
采用
加工
螺纹模具设计参考结构与样式
模具设计
螺纹
样式
参考
结构
四面贯孔为了防止滑块抽芯产生尖角,所以采用四面斜顶抽芯 ...
模具
样式
模架
采用
塑料内螺纹抽芯,简易模具设计,直接有效的进行脱模,真是绝了 ...
齿轮
样式
采用
设计培训
产品
塑胶产品内滑块设计要点,以及注意哪些事项?
样式
模具
设计培训
产品
1
2
首页
发布
用户中心
积分充值
开通会员
客服